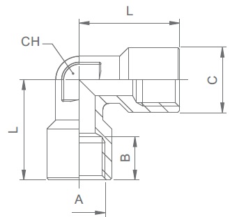
Descrizione
Specifiche tecniche:
Materiali
– Acciaio inox AISI 316 L
Caratteristiche tecniche
– Filettatura: gas cilindrica ISO 228 cl.A
gas conica ISO 7.1 – BS21 – DIN2999
– Fluidi compatibili: aria compressa, fluidi per industria chimica e alimentare
– Pressione min: -0,99 bar
– Pressione max: 140 bar
– Temperatura: -110°C +300°C
Art. 27/2 FF-X