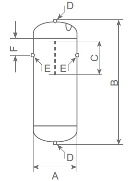
Descrizione
Specifiche tecniche:
art. SEC-10 cod. 40.30.200
art. SEC-15 cod. 40.30.201
art. SEC-25 cod. 40.30.202
Con paratia interna frangiflusso
Pressione max: 11 bar
Collaudo: 2009/105/CE
Materiale: acciaio al carbonio
Trattamento superficiale: verniciatura azzurra